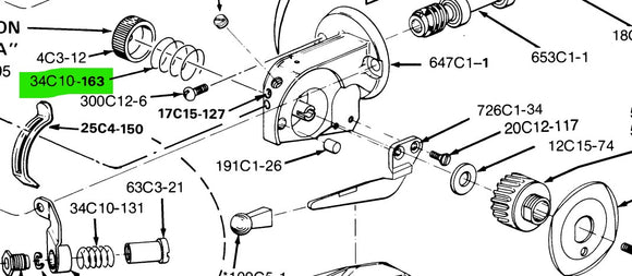
EA-34C-10-163 | Spring for Blade adjusting Nut for various Eastman Circular Cutters
EA-505C3-191 | Base plate assemly for Eastman model : Cardinal 548
EA-505C3-224 | Eastman Large plate complete
EA-508C1-101 | Terminal Block
EA-712C1 | Right hand Slide w/Pulley for sharpener on Eastman straight knife textile cutter.
EA-80-C1-61 | Eastman Round knife
EA-80C-1-147.HSS | Eastman Round knife
EA-80C1-123HSS | Eastman Round knife 4 sided
EA-80C1-145 | 3-1/4" Hexagonal Blade for Eastman Falcon End Cutter.
EA-80C1-147 | Eastman Knife round
EA-80C1-59 | FR021 | R4E59 | Round Knife for Lightning 4 1/4" & Eastman | | OD 102mm / ID 40mm
EA-80C1-77/100 | Genuine Eastman Round Knife 7 1/2"
EA-87C7-43 | Worm Gear for Eastman Cutting Machine
EA-90-C-6 | Eastman Bearing
EA-90-C-6-28 | Eastman Front ball bearing
EA-90-C-6-38 | Eastman Front ball bearing
EA-90-C-6-46 | Eastman Sealed crank ball bearing
EA-90-C-624 | Eastman Bearing for crank
EA-A134 | EASTMAN PIN
EA-E101-5" | Eastman Round knife R5 od=127 / id=51mm.
EA-E61-5 1/4 | 80C1-61 Eastman Round knife R5 1/4 to suit 548, 355-61. od=133.6 / id=51mm.
EA-SK-10E-HSS | 10" straight knife for Eastman Fabric Cutter
EAST-147C1-26 | 186S | Screw shaft extension for Eastman Straight blade cutting machine models... 553 ,563 , 621
MISC-523-C1-51 | Attachment Plug
MISC-523C1-101 | Attachment Plug
MISC-524C1-21 | Knife Gear
MISC-U-189-80 | Coarse grit (short) abrasive belt for KM straight blade cutter.- Sharpening Band
WOLF-2900530/531 | A098A 532C2-3 Base Plate Rubber mounted Roller / for Straight Knife Textile Cutting Machine (either Wolf, Eastman or Lightning) (4 of these per machine )